Skip to main content Skip to search Skip to main navigation
Telephone consultation: 02331 - 62 52 8-0 (Mon–Thu: 7.45 AM – 4.00 PM and Fri: 7.45 AM - 2.30 PM)
Your specialist for professional clamping technology

Solid jaws for six-jaw lathe chucks Ø 315 mm

Product information "Solid jaws for six-jaw lathe chucks Ø 315 mm"

Externally stepped solid jaws for lathe chucks Ø 315 mm

- 6 pieces per set

Jaws: Externally stepped solid jaws
Jaws for lathe chucks type: 6-jaw lathe chucks
Jaws for Ø: 315 mm
Make: Zentra

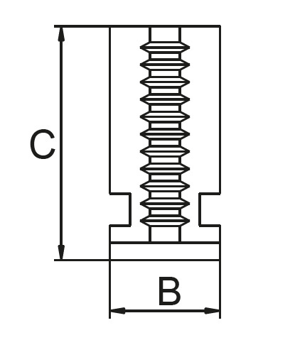
Technical Data

Für / for
Ø mm
A
mm
B
mm
C
mm
125 51 20 40
160 70 20 53
200 85 25 54
250 105 28 63
315 125 32 73
400 145 36 92
       
Preis pro Satz / Price per set
       
Angaben ohne Gewähr, technische Änderungen vorbehalten /
Information provided without guarantee, technical changes reserved

Product Safety Information:

  • Suitable only for technically skilled users familiar with the product and for craftsmen.
  • Intended solely for the designated purpose.
  • Improper use may lead to damage and injuries.

Importer/Manufacturer:

Gedema GmbH
Berchumer Str. 74
58093 Hagen

Email: info@messwelt.com
Email: info@gedema.com

Items explicitly stating the manufacturer are excluded.