Zum Hauptinhalt springen Zur Suche springen Zur Hauptnavigation springen
Telefonische Beratung: 02331 - 62 52 8-0 (Mo-Do: 7:45 - 16:00 Uhr und Fr: 7:45 - 14:30 Uhr)
Ihr Spezialist für professionelle Spanntechnik

Planfräser 45° D=63 d=22 Z5 Set

Produktinformationen "Planfräser 45° D=63 d=22 Z5 Set"

Planfräser 45° D=63 d=22 Z5

- Set inklusive 20 Stück Fräs-Wendeschneidplatten SEKT 1204 AFTN K400

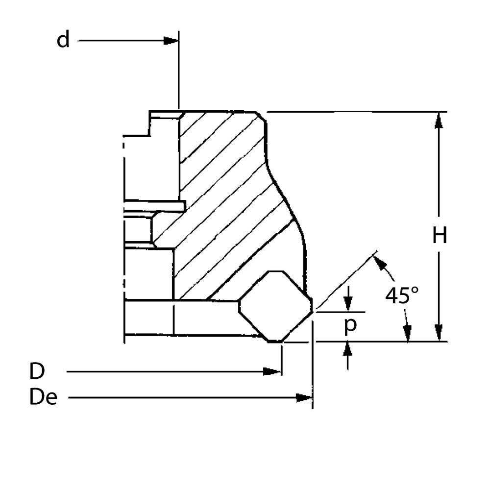
Technische Daten

De ß Z WSP
50 63 22 48 6 - 4 SEHT
SEHX
SEKT
1204…
63 76 22 48 6 - 5
80 93 27 50 6 - 6
             

Informationen zur Produktsicherheit:

  • Nur für technisch versierte und mit dem Produkt vertraute Anwender sowie Handwerker geeignet.
  • Nur für den vorhergesehenen Verwendungszweck geeignet.
  • Unsachgemäße Verwendung kann zu Schäden und Verletzungen führen.

Importeur/Hersteller:

Gedema GmbH
Berchumer Str. 74
58093 Hagen

E-Mail: info@messwelt.com
E-Mail: info@gedema.com

Ausgenommen sind Artikel bei denen explizit der Hersteller genannt wird.