Weiche Aufsatzbacken für Keilstangenfutter 160 mm
Produktnummer:
398531040300
Zolltarifnummer:
84662091
EAN:
Gewicht:
1,2 kg
Lagerbestand:
0
Weiterführende Links:
Artikel anfragen
Produktinformationen "Weiche Aufsatzbacken für Keilstangenfutter 160 mm"
Bison Backensatz für Keilstangenfutter,
weiche Aufsatzbacken
- Material: Stahl
- 3 Stück pro Satz
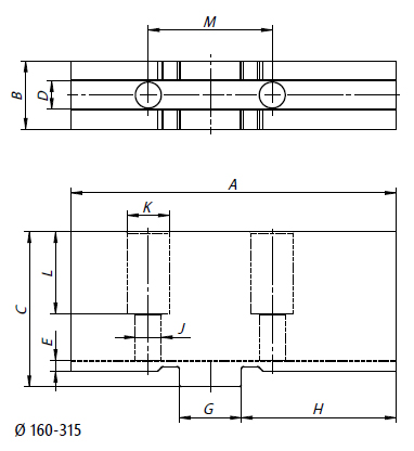
Technische Daten
| Futtergröße / Chuck size |
A | B | C | D | E | F | G | H | J | K | L | M | kg pro Stück / kg per piece |
| 125 | 55 | 20 | 30 | 14 | 1,5 | 5,0 | 5 | 25 | 6,4 | 10,4 | 24,0 | 20 | 0,2 |
| 160 | 85 | 20 | 40 | 8 | 3,0 | 4,5 | 18 | 42 | 8,4 | 13,5 | 26,5 | 32 | 0,4 |
| 200 | 105 | 22 | 50 | 10 | 3,5 | 5,0 | 20 | 50 | 8,4 | 13,5 | 35,0 | 40 | 0,7 |
| 250 | 125 | 30 | 55 | 12 | 3,5 | 5,0 | 20 | 70 | 13,0 | 19,0 | 41,0 | 40 | 1,2 |
| 315 | 145 | 35 | 60 | 12 | 3,5 | 6,0 | 26 | 74 | 13,0 | 19,0 | 38,0 | 54 | 1,8 |
| Angaben ohne Gewähr, technische Änderungen vorbehalten / Information provided without guarantee, technical changes reserved |
|||||||||||||
Informationen zur Produktsicherheit:
- Nur für technisch versierte und mit dem Produkt vertraute Anwender sowie Handwerker geeignet.
- Nur für den vorhergesehenen Verwendungszweck geeignet.
- Unsachgemäße Verwendung kann zu Schäden und Verletzungen führen.
Importeur/Hersteller:
Gedema GmbH
Berchumer Str. 74
58093 Hagen
E-Mail: info@messwelt.com
E-Mail: info@gedema.com
Ausgenommen sind Artikel bei denen explizit der Hersteller genannt wird.