Zum Hauptinhalt springen Zur Suche springen Zur Hauptnavigation springen
Telefonische Beratung: 02331 - 62 52 8-0 (Mo-Do: 7:45 - 16:00 Uhr und Fr: 7:45 - 14:30 Uhr)
Ihr Spezialist für professionelle Spanntechnik

Vierbacken-Kraftspannfutter NIT-215A11 Ø 381 mm

Produktinformationen "Vierbacken-Kraftspannfutter NIT-215A11 Ø 381 mm"

Vierbacken-Kraftspannfutter NIT-215A11 DIN 55026,
mit Durchgangsbohrung - Verzahnung 1,5 x 60°

- Typ NIT-215A11 Ø 381 mm
- Futterkörper aus Stahl
- alle Verschleißteile gehärtet und geschliffen
  für hohe Rundlaufgenauigkeit und Langlebigkeit
- Schmiernippel in jeder Grundbacke
- inkl. je 1 Satz Grund- und weiche Aufsatzbacken,
  Befestigungsschrauben, Zugrohradapterrohling

Ausführung: 4-Backen Drehfutter
DIN: 55026
Durchgangsbohrung: mit
Ø : 381 mm

Technische Daten

Typ /
Type
Backenhub /
Jaw stroke mm
Zugrohrhub /
Plunger stroke mm
Max. Betätigungskraft /
Max. pull force (kN)
Max. Spannkraft /
Max. gripping force (kN)
Max. Betätigungsdruck /
Max. operating pessure (kN)
NIT-215A11 10,6 23 71 180 23,5
           
Trägheitsmoment /
Moment of inertia (kgf-m2)
Passende harte Aufsatzbacken /
Matching hard jaws
Passende weiche Aufsatzbacken /
Matching soft jaws
Passender Zylinder /
Matching cylinder
Max. Drehzahl /
Max. speed (rpm)
kg
2,331 HJ15 HC15 M2511 1900 114

 

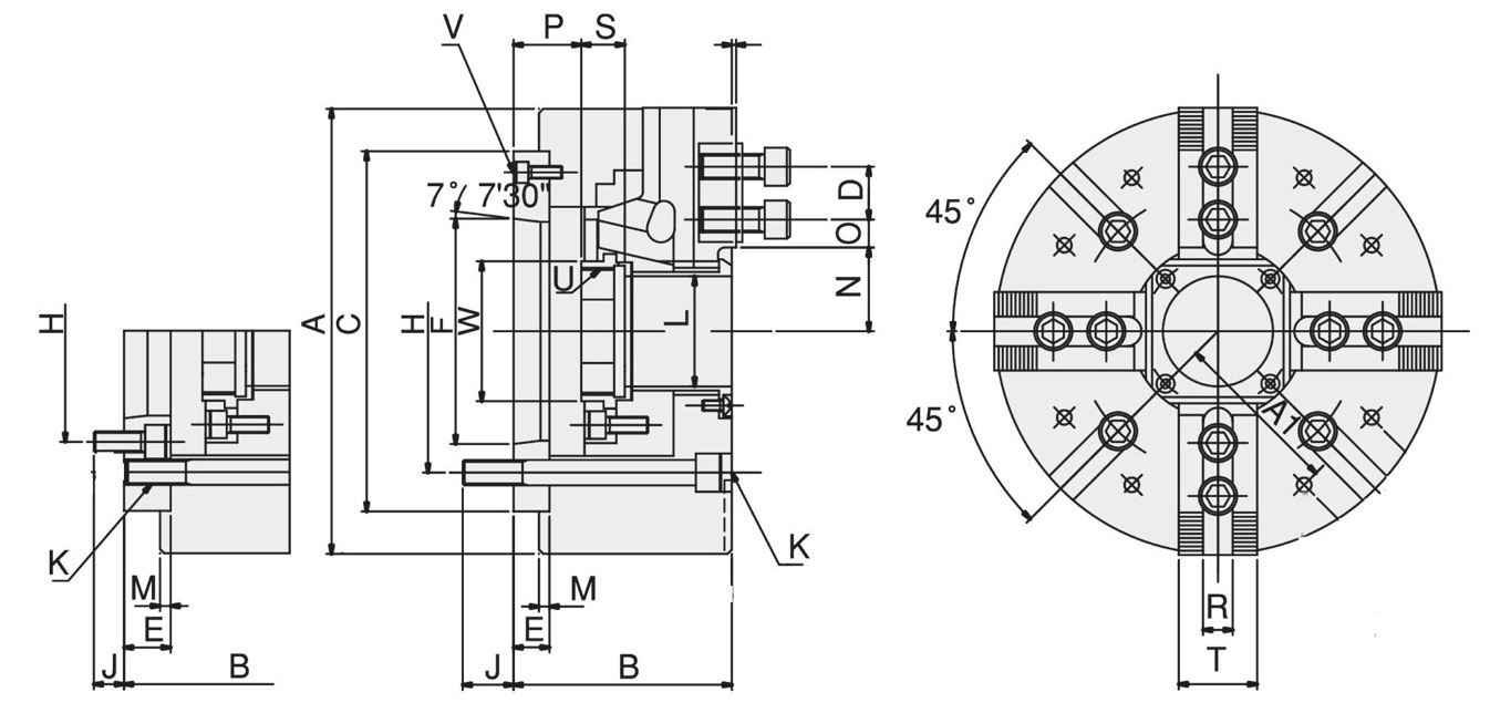
Typ /
Type
A
mm
B
mm
D
mm
E
mm
F
mm
C
mm
H
mm
J
mm
K L
mm
NIT-215A11 381 163 43 22 196,869 300 235 28 4-M20 117,5
                     
M
mm
N
 max.
O
max.
O
min.
P
max.
P
min.
R
mm
S
mm
T
mm
U
max.
W
mm
 6 82 46,75 13,75 29 6 24 43 62 M130x2,0 139
                     
Inkl. je 1 Satz Grund- und weiche Aufsatzbacken, Befestigungsschrauben, Zugrohradapterrohling /
Incl. 1 set each of hardened base jaws and soft top jaws, fixation screws, blank draw tube adaptor
                     
Angaben ohne Gewähr, technische Änderungen vorbehalten /
Information provided without guarantee, technical changes reserved

Informationen zur Produktsicherheit:

  • Nur für technisch versierte und mit dem Produkt vertraute Anwender sowie Handwerker geeignet.
  • Nur für den vorhergesehenen Verwendungszweck geeignet.
  • Unsachgemäße Verwendung kann zu Schäden und Verletzungen führen.

Importeur/Hersteller:

Gedema GmbH
Berchumer Str. 74
58093 Hagen

E-Mail: info@messwelt.com
E-Mail: info@gedema.com

Ausgenommen sind Artikel bei denen explizit der Hersteller genannt wird.

Produktgalerie überspringen

Zubehör

Weiche Aufsatzbacke HC15 für Kraftspannfutter
Weiche Aufsatzbacke Typ HC15 für Kraftspannfutter - Verzahnung 1,5 x 60°- Backen kompatibel zu Kitagawa Kraftspannfuttern- Preis pro Stück

65,84 €*
Lagerbestand: 18
Harte Aufsatzbacke Typ HJ15 für Kraftspannfutter
Harte Aufsatzbacke HJ15 für Kraftspannfutter - Verzahnung 1,5 x 60°- Backen kompatibel zu Kitagawa Kraftspannfuttern- Preis pro Stück

231,23 €*
Lagerbestand: 13