Zum Hauptinhalt springen Zur Suche springen Zur Hauptnavigation springen
Telefonische Beratung: 02331 - 62 52 8-0 (Mo-Do: 7:45 - 16:00 Uhr und Fr: 7:45 - 14:30 Uhr)
Ihr Spezialist für professionelle Spanntechnik

Zweibacken-Kraftspannfutter NT-206 Ø 169 mm

Produktinformationen "Zweibacken-Kraftspannfutter NT-206 Ø 169 mm"

Zweibacken-Kraftspannfutter NT-206 zylindrische Aufnahme,
mit Durchgangsbohrung - Verzahnung 1,5 x 60°

- Typ NT-206 Ø 169 mm
- Futterkörper aus Stahl
- alle Verschleißteile gehärtet und geschliffen
  für hohe Rundlaufgenauigkeit und Langlebigkeit
- Schmiernippel in jeder Grundbacke
- Backen kompatibel zu Kitagawa Typ BT200
- inkl. je 1 Satz Grund- und weiche Aufsatzbacken,
  Befestigungsschrauben, Zugrohradapterrohling

Ausführung: 2-Backen Drehfutter
DIN: Zylindrische Aufnahme
Durchgangsbohrung: mit
Ø : 169 mm

Technische Daten

Typ /
Type
Backenhub /
Jaw stroke mm
Zugrohrhub /
Plunger stroke mm
Max. Betätigungskraft /
Max. draw bar pull force (kN)
Max. Spannkraft /
Max. gripping force (kN)
NT-206 5,5 12 14,22 37,27
         
Passende harte Aufsatzbacken /
Matching hard jaws
Passende weiche Aufsatzbacken /
Matching soft jaws
Passender Zylinder /
Matching cylinder
Max. Drehzahl /
Max. speed (rpm)
kg
HJ06 HC06 M1246 6000 12,8


 

Typ /
Type
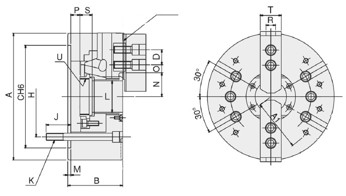
A
mm
B
mm
C(H6)
mm
S
mm
H
mm
M
mm
Q
mm
R
mm
J
mm
NT-206 169 81 140 19 104,78 5 32 12 20
                   
  K N
max.
O
max.
O
min.
P
max.
P
min.
L
mm
U
max.
D
mm
  6-M12 32 24 7,5 11 -1 45 M55x2 20
                   
Inkl. je 1 Satz Grund- und weiche Aufsatzbacken, Befestigungsschrauben, Zugrohradapterrohling /
Incl. 1 set each of hardened base jaws and soft top jaws, fixation screws, blank draw tube adaptor
                   
Angaben ohne Gewähr, technische Änderungen vorbehalten /
Information provided without guarantee, technical changes reserved

Informationen zur Produktsicherheit:

  • Nur für technisch versierte und mit dem Produkt vertraute Anwender sowie Handwerker geeignet.
  • Nur für den vorhergesehenen Verwendungszweck geeignet.
  • Unsachgemäße Verwendung kann zu Schäden und Verletzungen führen.

Importeur/Hersteller:

Gedema GmbH
Berchumer Str. 74
58093 Hagen

E-Mail: info@messwelt.com
E-Mail: info@gedema.com

Ausgenommen sind Artikel bei denen explizit der Hersteller genannt wird.

Produktgalerie überspringen

Zubehör

Weiche Segmentbacken für Kraftspannfutter Typ 206
Weiche Segmentbacken für Kraftspannfutter,Verzahnung 1,5 x 60° - für Futter-Typ 206 - Material: Stahl- besonders für verformungsempfindliche Werkstücke   geeignet - Spannkraftübertragung auf große Spannfläche, da   das Werkstück fast vollständig umschlossen wird - können als Backenrohling für Sonderbacken   genutzt werden - Preis pro Satz

321,63 €*
Lagerbestand: 3
Harte Aufsatzbacke Typ HJ06 für Kraftspannfutter
Harte Aufsatzbacke HJ06 für Kraftspannfutter - Verzahnung 1,5 x 60°- Backen kompatibel zu Kitagawa Kraftspannfuttern- Preis pro Stück

62,76 €*
Lagerbestand: 33
Weiche Aufsatzbacke HC06 für Kraftspannfutter
Weiche Aufsatzbacke Typ HC06 für Kraftspannfutter - Verzahnung 1,5 x 60°- Backen kompatibel zu Kitagawa Kraftspannfuttern- Preis pro Stück

13,94 €*
Lagerbestand: 133
Hydraulikzylinder 6M1246 für Kraftspannfutter
Kraftspannfutter Hydraulikzylinder Typ 6M1246mit Durchgang für hohe Drehzahlen - inkl. Kühlmittelsammler - kompakte und leichte Bauweise - große Bohrung- geeignet für hohe Drehzahlen

1.360,82 €*
Lagerbestand: 0