Harte Aufsatzbacken für Planscheiben Ø 315 mm
Produktnummer:
398573640400
Zolltarifnummer:
84662091
EAN:
Gewicht:
5,2 kg
Lagerbestand:
0
Weiterführende Links:
Artikel anfragen
Produktinformationen "Harte Aufsatzbacken für Planscheiben Ø 315 mm"
Bison Backensatz für Planscheiben,
harte Aufsatzbacken
- Material: Stahl
- 4 Stück pro Satz
| Backen für Ø: | 315 mm |
|---|---|
| Ersatzbacken: | Harte Aufsatzbacken |
| Fabrikat: | Bison |
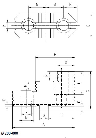
Technische Daten
| Futtergröße / Chuck size |
A | B | C | D | E | F | G | H | J | K | L | M | N | O | P | R | kg pro Stück / kg per piece |
| 200 | 82,0 | 34 | 43,5 | 7,95 | 4 | 3,2 | 12,69 | 35,2 | 11 | 18 | 21,5 | 22,25 | 9,5 | 22,0 | 53,0 | 19,3 | 0,5 |
| 250 | 96,5 | 34 | 51,5 | 12,71 | 4 | 3,2 | 19,04 | 40,0 | 14 | 20 | 26,5 | 27,00 | 12,0 | 25,0 | 62,0 | 22,5 | 0,7 |
| 315 | 112,5 | 42 | 55,0 | 12,71 | 4 | 3,2 | 19,04 | 47,9 | 14 | 20 | 27,5 | 31,75 | 13,0 | 27,0 | 70,5 | 25,7 | 1,3 |
| 400 | 129,0 | 42 | 64,5 | 12,71 | 4 | 6,3 | 19,04 | 57,4 | 18 | 26 | 32,0 | 38,10 | 13,5 | 26,5 | 79,0 | 28,8 | 2,1 |
| 500 / 630 | 136,0 | 54 | 82,0 | 12,71 | 4 | 6,3 | 19,04 | 58,0 | 22 | 33 | 43,0 | 38,10 | 21,0 | 37,5 | 87,0 | 29,4 | 3,0 |
| 800 | 136,0 | 72 | 88,0 | 12,71 | 4 | 6,3 | 19,04 | 58,0 | 22 | 33 | 46,0 | 38,10 | 24,0 | 40,0 | 98,0 | 29,4 | 4,2 |
| Angaben ohne Gewähr, technische Änderungen vorbehalten / Information provided without guarantee, technical changes reserved |
|||||||||||||||||
Informationen zur Produktsicherheit:
- Nur für technisch versierte und mit dem Produkt vertraute Anwender sowie Handwerker geeignet.
- Nur für den vorhergesehenen Verwendungszweck geeignet.
- Unsachgemäße Verwendung kann zu Schäden und Verletzungen führen.
Importeur/Hersteller:
Gedema GmbH
Berchumer Str. 74
58093 Hagen
E-Mail: info@messwelt.com
E-Mail: info@gedema.com
Ausgenommen sind Artikel bei denen explizit der Hersteller genannt wird.