Zum Hauptinhalt springen Zur Suche springen Zur Hauptnavigation springen
Telefonische Beratung: 02331 - 62 52 8-0 (Mo-Do: 7:45 - 16:00 Uhr und Fr: 7:45 - 14:30 Uhr)
Ihr Spezialist für professionelle Spanntechnik

Außenräumstempel Sechskant 19,0 - Größe 32

Produktinformationen "Außenräumstempel Sechskant 19,0 - Größe 32"

Außenräumstempel Sechskant 19,0

- passend zu Außenräumwerkzeughalter mit Zylinderschaft Ø 32 mm
- Sechskant-Größe: 19,0

Aufnahme: Ø 32
Form: Sechskant
Größe: 19
Typ: Räumstempel

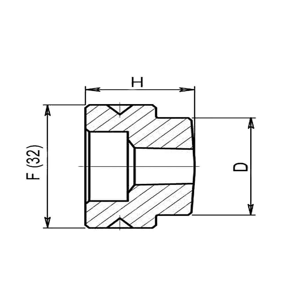
Technische Daten

Form /
Form
Größe /
Size
H
mm
D
mm




Sechskant / Hexagon 3 20,5 25,3
Sechskant / Hexagon 4 20,5 25,3
Sechskant / Hexagon 5 20,5 25,3
Sechskant / Hexagon 6 20,5 25,3
Sechskant / Hexagon 7 20,5 25,3
Sechskant / Hexagon 8 20,5 25,3
Sechskant / Hexagon 9 20,5 25,3
Sechskant / Hexagon 10 20,5 25,3
Sechskant / Hexagon 11 20,5 25,3
Sechskant / Hexagon 12 20,5 25,3
Sechskant / Hexagon 13 20,5 25,3
Sechskant / Hexagon 14 20,5 25,3
Sechskant / Hexagon 15 20,5 25,3
Sechskant / Hexagon 16 20,5 30
Sechskant / Hexagon 17 20,5 30
Sechskant / Hexagon 18 20,5 30
Sechskant / Hexagon 19 20,5 30
Sechskant / Hexagon 20 20,5 30




Angaben ohne Gewähr, technische Änderungen vorbehalten /
Information provided without guarantee, technical changes reserved

Informationen zur Produktsicherheit:

  • Nur für technisch versierte und mit dem Produkt vertraute Anwender sowie Handwerker geeignet.
  • Nur für den vorhergesehenen Verwendungszweck geeignet.
  • Unsachgemäße Verwendung kann zu Schäden und Verletzungen führen.

Importeur/Hersteller:

Gedema GmbH
Berchumer Str. 74
58093 Hagen

E-Mail: info@messwelt.com
E-Mail: info@gedema.com

Ausgenommen sind Artikel bei denen explizit der Hersteller genannt wird.

Produktgalerie überspringen

Zubehör

Neu
Außenräumwerkzeughalter Ø 16 x 32 mm, zylindrisch
Außenräumwerkzeughalter Ø 16 x 32 mm - mit Zylinderschaft

301,82 €*
Lagerbestand: 0
Neu
Außenräumwerkzeughalter Ø 20 x 32 mm, zylindrisch
Außenräumwerkzeughalter Ø 20 x 32 mm - mit Zylinderschaft

301,82 €*
Lagerbestand: 0
Neu
Außenräumwerkzeughalter Ø 22 x 32 mm, zylindrisch
Außenräumwerkzeughalter Ø 22 x 32 mm - mit Zylinderschaft

314,21 €*
Lagerbestand: 0
Neu
Außenräumwerkzeughalter Ø 25 x 32 mm, zylindrisch
Außenräumwerkzeughalter Ø 25 x 32 mm - mit Zylinderschaft

301,82 €*
Lagerbestand: 0