Zum Hauptinhalt springen Zur Suche springen Zur Hauptnavigation springen
Telefonische Beratung: 02331 - 62 52 8-0 (Mo-Do: 7:45 - 16:00 Uhr und Fr: 7:45 - 14:30 Uhr)
Ihr Spezialist für professionelle Spanntechnik

Außenräumstempel Vierkant 8,0 - Größe 32

Produktinformationen "Außenräumstempel Vierkant 8,0 - Größe 32"

Außenräumstempel Vierkant 8,0

- passend zu Außenräumwerkzeughalter mit Zylinderschaft Ø 32 mm
- Vierkant-Größe: 8,0

Aufnahme: Ø 32
Form: Vierkant
Größe: 8
Typ: Räumstempel

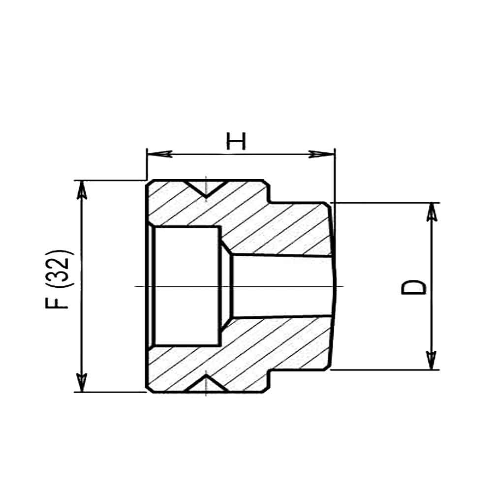
Technische Daten

Form /
Form
Größe /
Size
H
mm
D
mm




Vierkant / Square 3 20,5 25,3
Vierkant / Square 4 20,5 25,3
Vierkant / Square 5 20,5 25,3
Vierkant / Square 6 20,5 25,3
Vierkant / Square 7 20,5 25,3
Vierkant / Square 8 20,5 25,3
Vierkant / Square 9 20,5 25,3
Vierkant / Square 10 20,5 25,3
Vierkant / Square 11 20,5 25,3
Vierkant / Square 12 20,5 25,3
Vierkant / Square 13 20,5 25,3
Vierkant / Square 14 20,5 30
Vierkant / Square 15 20,5 30
Vierkant / Square 16 20,5 30




Angaben ohne Gewähr, technische Änderungen vorbehalten /
Information provided without guarantee, technical changes reserved

Informationen zur Produktsicherheit:

  • Nur für technisch versierte und mit dem Produkt vertraute Anwender sowie Handwerker geeignet.
  • Nur für den vorhergesehenen Verwendungszweck geeignet.
  • Unsachgemäße Verwendung kann zu Schäden und Verletzungen führen.

Importeur/Hersteller:

Gedema GmbH
Berchumer Str. 74
58093 Hagen

E-Mail: info@messwelt.com
E-Mail: info@gedema.com

Ausgenommen sind Artikel bei denen explizit der Hersteller genannt wird.

Produktgalerie überspringen

Zubehör

Neu
Außenräumwerkzeughalter Ø 16 x 32 mm, zylindrisch
Außenräumwerkzeughalter Ø 16 x 32 mm - mit Zylinderschaft

301,82 €*
Lagerbestand: 0
Neu
Außenräumwerkzeughalter Ø 20 x 32 mm, zylindrisch
Außenräumwerkzeughalter Ø 20 x 32 mm - mit Zylinderschaft

301,82 €*
Lagerbestand: 0
Neu
Außenräumwerkzeughalter Ø 22 x 32 mm, zylindrisch
Außenräumwerkzeughalter Ø 22 x 32 mm - mit Zylinderschaft

314,21 €*
Lagerbestand: 0
Neu
Außenräumwerkzeughalter Ø 25 x 32 mm, zylindrisch
Außenräumwerkzeughalter Ø 25 x 32 mm - mit Zylinderschaft

301,82 €*
Lagerbestand: 0