-
Produkte
- Angetriebene Werkzeuge
- Aufspannwinkel und Aufspanntische
- Aufspannwürfel und Rasterwürfel
- Ausdrehkopf Sätze
- Backen Ausdrehringe
- Backen Ausdrehvorrichtungen
- Bohrfutter
- CNC - Werkzeuglagerung
- Drehfutter und Backen
- Drehfutter, Zubehör und Ersatzteile
- Entgrater Werkzeug X-Grat
- Flansche für Drehfutter und Planscheiben
- Fräswerkzeuge
- Gewindeschneid-Apparate
- Gewindeschneidfutter / Gewindescheid-Schnellwechselfutter
- HSK Werkzeugaufnahmen
- Hülsen und Dorne
- Keilstangenfutter
- Klauenkästen Sätze
- Kraftspannfutter
- Kreuztische / Schiebetische
- Körnerspitzen
- Magnetspannplatten
- Maschinenschraubstöcke
- Messzeuge
- Montagehilfen
- Pendelhalter
- Planscheiben
- Polygonalkegel-Werkzeuge
- Prismenblöcke und Winkelprismen
- Prüfdorne
- Reitstöcke für Teilapparate / Rundtische
- Schnellwechselstahlhalter
- Späne-/ Kippbehälter
- Schubladenschränke
- Schutzeinrichtungen
- Spannkraftmessgeräte
- Spannzangen
- Spannzangenfutter
- Sägeblattaufnahmen
-
Steilkegelwerkzeuge
- Kombi-Aufsteck-Fräsdorne
- Messerkopf-Aufnahmen
- Flächenspannfutter WELDON
- Bohrfutteraufnahmen
- Räumwerkzeughalter
- Innenprofiladapter für Räumwerkzeughalter
- Räumstempel
- Reduzierung für Räumstempel
- Außenräumwerkzeughalter mit Zylinderschaft
- Außenräumstempel
- Zwischenhülsen für MK-Werkzeuge
- Anzugsbolzen
- Sicherheits-Steckschlüssel für Anzugsbolzen
- Reduzierhülsen für Fräseraufnahmen mit IKZ
- Bohrfutter
- Rohlinge
- Aufsteckhalter für Reibahlen Typ 5310, DIN 219 mit MK
- Fräseraufnahmen für Einschraubfräser
- Schrumpffutter
- Hydrodehnspannfutter
- Kraft-Fräserspannfutter
- Teilapparate, Rundtische und Spanntische
- VDI-Werkzeughalter
- Werkbänke
- Werkzeugsätze
- Zerspanungstechnik
- Zentrierspitzen, feste Körnerspitzen
- Zubehör Spanntechnik
- Angebote
- Neuheiten
- Download / Kataloge
- Kontakt
- Unsere weiteren Webshops
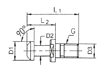
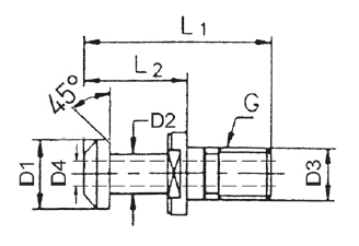
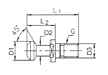
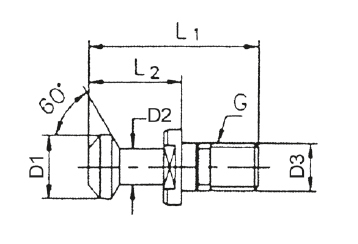
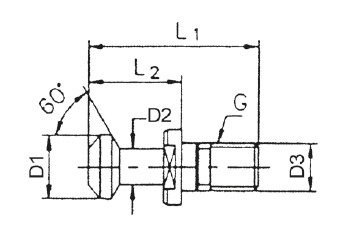
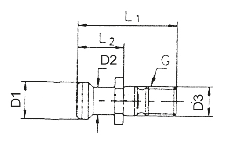
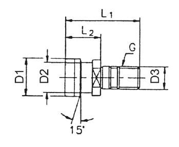
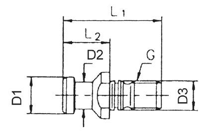
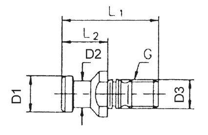
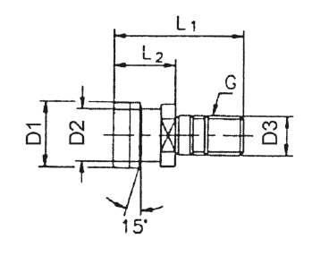
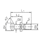
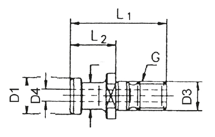
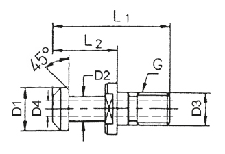
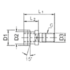
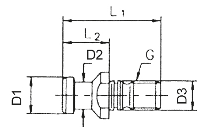
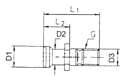
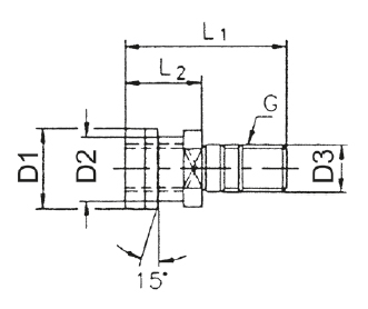
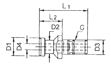
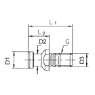
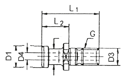
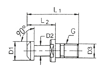
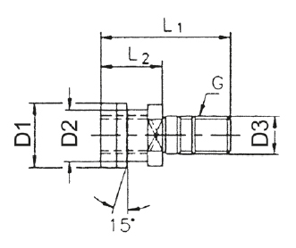
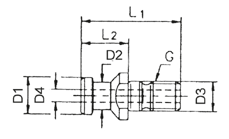
Anzugsbolzen
Produkte filtern