€413.93*
€492.58 incl. Vat.
Available, delivery time: 1-3 workdays
Product number:
WAT-D315/3-ZGE
Customs tariff number
8466 2091
European Article Number
4049794671122
Weight
47 kg
Stock:
26
Related links:
Request Item
Product information "Three-jaw lathe chuck Basic Ø 315 mm"
Three-jaw lathe chuck Basic
- centre mount acc. to factory standard, one-piece jaws
- chuck body made from cast iron
- self-centering
- inkl. 1 set each of solid jaws internally / externally stepped,
wrench, fixing screws
| DIN: | centre mount acc. to factory standard |
|---|---|
| Jaws: | one-piece jaws |
| Make: | Basic |
| Material: | Cast iron |
| Type: | 3-jaw lathe chucks |
| Ø : | 315 mm |
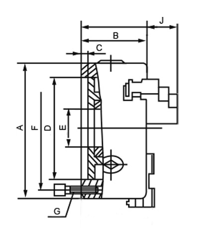
Technical Data
| A (Ø) mm | D mm | F mm | E mm | J mm | B mm | C mm | G mm | Rundlauf / Runout Ø | RPM MAX min -1 | kg |
| 80 | 55 | 66 | 16 | 16,5 | 50 | 4 | 3-M6 | 0,08 | 4000 | 2 |
| 100 | 72 | 84 | 22 | 19,5 | 55 | 3 | 3-M8 | 0,08 | 3500 | 3 |
| 125 | 95 | 108 | 30 | 26,5 | 58 | 4 | 3-M8 | 0,08 | 3000 | 5 |
| 160 | 130 | 142 | 45 | 29 | 65 | 5 | 3-M8 | 0,08 | 2500 | 9 |
| 200 | 165 | 180 | 65 | 34 | 75 | 5 | 3-M10 | 0,1 | 2000 | 16 |
| 250 | 206 | 226 | 80 | 40 | 80 | 5 | 3-M12 | 0,1 | 1600 | 28 |
| 315 | 260 | 285 | 100 | 57,5 | 90 | 6 | 3-M16 | 0,12 | 1200 | 47 |
| 400 | 340 | 368 | 130 | 73,5 | 100 | 6 | 3-M16 | 0,12 | 1000 | 73 |
| 500 | 440 | 465 | 210 | 87 | 115 | 6 | 3-M16 | 0,16 | 800 | 121 |
| 630 | 560 | 595 | 260 | 89,5 | 131 | 7 | 3-M16 | 0,16 | 800 | 200 |
| Inkl. je 1 Satz Dreh- und Bohrbacken, Spannschlüssel, Befestigungsschrauben / Incl. 1 set each of solid jaws internally / externally stepped, wrench, fixing screws | ||||||||||
| Angaben ohne Gewähr, technische Änderungen vorbehalten / Information provided without guarantee, technical changes reserved | ||||||||||
Product Safety Information:
- Suitable only for technically skilled users familiar with the product and for craftsmen.
- Intended solely for the designated purpose.
- Improper use may lead to damage and injuries.
Importer/Manufacturer:
Gedema GmbH
Berchumer Str. 74
58093 Hagen
Email: info@messwelt.com
Email: info@gedema.com
Items explicitly stating the manufacturer are excluded.