Collet chucks for death length collets 164E
Product number:
79-SZF-164E
Customs tariff number
8466 1038
European Article Number
4049794053690
Weight
14 kg
Stock:
0
Related links:
Request Item
Product information "Collet chucks for death length collets 164E"
Collet chucks
for death length collets 164E (Bereich 2-32)
- manually operated by wrench
- standard mounting DIN 6350
- suitable for turning and grinding
- incl. wrench, hook spanner and fixing screws
| Make: | Zentra |
|---|---|
| Type: | Collet chucks |
| for collets: | 164E |
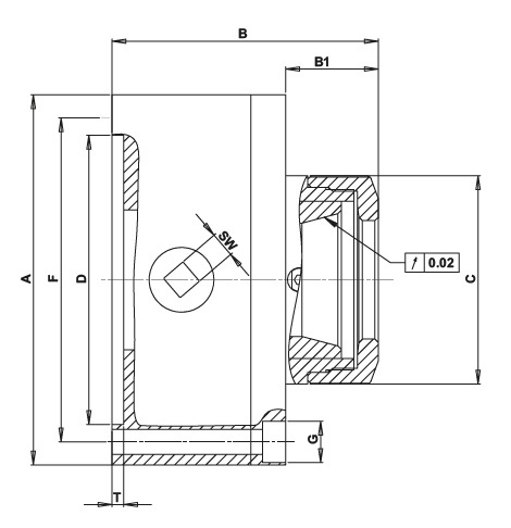
Technical Data
| Für SZ / For collet |
A mm |
B mm |
B1 mm |
C mm |
D (H6) mm |
F mm |
G Ø | T mm |
SW mm |
RPM MAX min-1 |
| 161E (2-26) | 160 | 115 | 40 | 90 | 125 | 140 | 3x10,5 | 5 | 11 | 4500 |
| 163E (2-30) | 160 | 115 | 40 | 90 | 125 | 140 | 3x10,5 | 5 | 11 | 4500 |
| 164E (2-32) | 160 | 115 | 40 | 90 | 125 | 140 | 3x10,5 | 5 | 11 | 4500 |
| 173E (3-42) | 160 | 115 | 40 | 90 | 125 | 140 | 3x10,5 | 5 | 11 | 4500 |
| 185E (4-60) | 200 | 125 | 78 | 152 | 160 | 176 | 3x10,5 | 5 | 11 | 4000 |
| Inkl. Betätigungsschlüssel, Hakenschlüssel und Befestigungsschrauben / Incl. Wrench, hook spanner and fixing screws |
||||||||||
| Angaben ohne Gewähr, technische Änderungen vorbehalten / Information provided without guarantee, technical changes reserved |
||||||||||
Product Safety Information:
- Suitable only for technically skilled users familiar with the product and for craftsmen.
- Intended solely for the designated purpose.
- Improper use may lead to damage and injuries.
Importer/Manufacturer:
Gedema GmbH
Berchumer Str. 74
58093 Hagen
Email: info@messwelt.com
Email: info@gedema.com
Items explicitly stating the manufacturer are excluded.