Collet fixtures for collets ER32
€76.82*
€91.42 incl. Vat.
Available, delivery time: 1-3 workdays
Product number:
ZE-SPV-ER32-080
Customs tariff number
8466 2091
European Article Number
4049794659311
Weight
0,75 kg
Stock:
14
Related links:
Request Item
Product information "Collet fixtures for collets ER32"
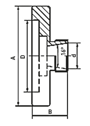
Collet fixtures for collets ER32,
Ø 80 mm
- cylindrical mounting
- suitable as stationary clamping device
or for use in lathe chucks
| Type: | Collet fixtures |
|---|---|
| for collets: | ER32 |
Technical Data
| Für SZ / For collets |
A mm |
D mm |
B mm |
| ER 16 | 45 | 22 | 25 |
| ER 25 | 100 | 72 | 36 |
| ER 32 | 80 | 55 | 42 |
| ER 32 | 125 | 95 | 42 |
| Angaben ohne Gewähr, technische Änderungen vorbehalten / Information provided without guarantee, technical changes reserved |
|||
Product Safety Information:
- Suitable only for technically skilled users familiar with the product and for craftsmen.
- Intended solely for the designated purpose.
- Improper use may lead to damage and injuries.
Importer/Manufacturer:
Gedema GmbH
Berchumer Str. 74
58093 Hagen
Email: info@messwelt.com
Email: info@gedema.com
Items explicitly stating the manufacturer are excluded.