Three-jaw lathe chuck Wescott Ø 160 mm
€799.42*
€951.31 incl. Vat.
Available, delivery time: 1-3 workdays
Product number:
ZE-WS66-160
Customs tariff number
8466 2091
European Article Number
4049794079706
Weight
11 kg
Stock:
4
Related links:
Request Item
Product information "Three-jaw lathe chuck Wescott Ø 160 mm"
Combined three-jaw lathe chuck Wescott Ø 160 mm,
DIN 6350
- chuck body made from cast iron
- self-centering and individually adjustable jaws
- especially suitable for holding irregulary shaped work pieces
- inkl. 1 set of hardened reversible jaws,
wrench fixing srews
/ Spare jaws available upon request
| DIN: | 6350 |
|---|---|
| Jaws: | one-piece jaws |
| Make: | Zentra |
| Material: | Cast iron |
| Type: | 3-jaw lathe chucks |
| Ø : | 160 mm |
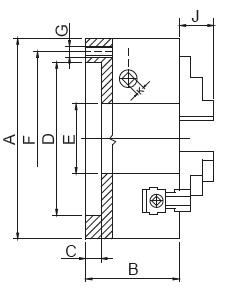
Technical Data
| A (Ø) mm |
D mm |
F mm |
E mm |
B mm |
J mm |
C mm |
G mm |
RPM MAX min -1 |
| 160 | 125 | 140 | 42 | 82 | 28,5 | 4 | 6-M10 | 3200 |
| 200 | 160 | 176 | 55 | 96 | 31 | 4 | 6-M10 | 3000 |
| 250 | 200 | 224 | 76 | 101 | 33 | 5 | 6-M12 | 2500 |
| 315 | 260 | 286 | 103 | 118 | 42 | 5 | 6-M16 | 2000 |
| 400 | 330 | 362 | 136 | 124 | 58 | 6 | 6-M16 | 1500 |
| 500 | 420 | 458 | 190 | 145 | 61 | 6 | 6-M16 | 1000 |
| 630 | 545 | 586 | 252 | 160 | 72 | 7 | 6-M16 | 750 |
| Inkl. je 1 Satz harter Umkehrbacken, Kombi-Spannschlüssel, Befestigungsschrauben / Incl. 1 set of hardened reversible jaws, wrench, fixing screws |
||||||||
| Angaben ohne Gewähr, technische Änderungen vorbehalten / Information provided without guarantee, technical changes reserved |
||||||||
Product Safety Information:
- Suitable only for technically skilled users familiar with the product and for craftsmen.
- Intended solely for the designated purpose.
- Improper use may lead to damage and injuries.
Importer/Manufacturer:
Gedema GmbH
Berchumer Str. 74
58093 Hagen
Email: info@messwelt.com
Email: info@gedema.com
Items explicitly stating the manufacturer are excluded.