Skip to main content Skip to search Skip to main navigation
Telephone consultation: 02331 - 62 52 8-0 (Mon–Thu: 7.45 AM – 4.00 PM and Fri: 7.45 AM - 2.30 PM)
Your specialist for professional clamping technology

Two-jaw lathe chuck DIN 6350 Ø 315 mm

Product information "Two-jaw lathe chuck DIN 6350 Ø 315 mm"

Two-jaw lathe chuck DIN 6350

- centre mount according to DIN 6350
- suitable for all types of lathes and different kinds of milling,
  drilling and CNC devices
- especially suitable for holding multicornered and form turned elements,
  which cannot be clamped by 3- or 4-jaw lathe chucks
- chuck body made from cast iron
- guide ways and wear surfaces ground
- scroll plate is drop forged of fine-alloy steel,
  and case hardened
- incl. 1 set base jaws and soft reversible top jaws,
  wrench, fixing screws

DIN: 6350
Jaws: two-piece jaws
Make: Zentra
Material: Cast iron
Type: 2-jaw lathe chucks
Ø : 315 mm

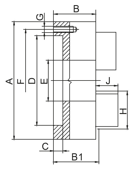
Technical Data

A (Ø)
mm
B
mm
B1
mm
C
mm
D
mm
E
mm
F
mm
G
mm
H
mm
J
mm
RPM MAX
min -1
kg
1606469,34125421406xM106743300010
2007579,34160551766xM108045250017,5
2508588,85200762246xM129553200029
3159499,152601032866xM1611057150050
400105113,853301363626xM1612767100085
            
            
Inkl. je 1 Satz Dreh- und Bohrbacken, Spannschlüssel, Befestigungsschrauben /
Incl. 1 set each of solid jaws internally / externally stepped, wrench, fixing screws
            
Angaben ohne Gewähr, technische Änderungen vorbehalten /
Information provided without guarantee, technical changes reserved

 

 

Product Safety Information:

  • Suitable only for technically skilled users familiar with the product and for craftsmen.
  • Intended solely for the designated purpose.
  • Improper use may lead to damage and injuries.

Importer/Manufacturer:

Gedema GmbH
Berchumer Str. 74
58093 Hagen

Email: info@messwelt.com
Email: info@gedema.com

Items explicitly stating the manufacturer are excluded.

Skip product gallery

Accessories

Hard base jaws for two-jaw lathe chucks Ø 315 mm
Hard base jaws for lathe chucks,2 pieces per set

€155.52*
Stock: 3
Soft top jaws for two-jaw lathe chucks Ø 315 mm
Soft top jaws for lathe chucks material C45,2 pieces per set

€93.89*
Stock: 3