Hard master jaws for 6-jaw scroll chucks Ø 250 mm
Product number:
398540950200
Customs tariff number
84662091
European Article Number
Weight
3 kg
Stock:
0
Related links:
Request Item
Product information "Hard master jaws for 6-jaw scroll chucks Ø 250 mm"
Hard master jaws
for Bison 6-jaw scroll chucks Ø 250 mm
- material: steel
- 6 pieces/set
| Jaws: | Hard base jaws |
|---|---|
| Jaws for lathe chucks type: | 6-jaw lathe chucks |
| Jaws for Ø: | 250 mm |
| Make: | Bison |
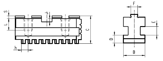
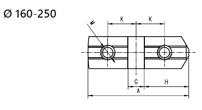
Technical Data
| Futtergröße / Chuck size |
A | B | C | D | E | F | G | H | J | K | L | M* | S | h | kg pro Stück / kg per piece |
| 200 | 79 | 25 | 33,0 | 9,0 | 10 | 7,94 | 12,69 | 34,9 | 4,0 | 22,25 | 14,0 | M8 | 3,2 | 8,0 | 0,3 |
| 250 | 92 | 28 | 36,0 | 11,0 | 12 | 12,70 | 19,04 | 39,7 | 4,0 | 27,00 | 16,0 | M12 | 3,2 | 9,0 | 0,5 |
| 315 | 110 | 32 | 40,0 | 12,7 | 12 | 12,70 | 19,04 | 47,6 | 4,0 | 31,75 | 16,0 | M12 | 3,2 | 10,0 | 0,8 |
| 400 | 130 | 36 | 49,0 | 15,0 | 14 | 12,70 | 19,04 | 57,1 | 7,2 | 38,10 | 22,0 | M16 | 3,2 | 12,0 | 1,1 |
| 500 | 166 | 40 | 54,0 | 16,0 | 14 | 12,70 | 19,04 | 57,1 | 7,2 | 38,10 | 32,5 | M20 | 3,2 | 14,2 | 2,2 |
| 630 | 210 | 50 | 54,5 | 16,0 | 14 | 12,70 | 19,04 | 57,1 | 7,2 | 38,10 | 32,5 | M20 | 3,2 | 14,2 | 3,3 |
| * Schrauben sind im Lieferumfang enthalten / Screws are included in delivery | |||||||||||||||
| Angaben ohne Gewähr, technische Änderungen vorbehalten / Information provided without guarantee, technical changes reserved |
|||||||||||||||
Product Safety Information:
- Suitable only for technically skilled users familiar with the product and for craftsmen.
- Intended solely for the designated purpose.
- Improper use may lead to damage and injuries.
Importer/Manufacturer:
Gedema GmbH
Berchumer Str. 74
58093 Hagen
Email: info@messwelt.com
Email: info@gedema.com
Items explicitly stating the manufacturer are excluded.