Product number:
ZE-4100-315
Customs tariff number
8466 2091
European Article Number
4049794047248
Weight
49 kg
Stock:
0
Related links:
Request Item
Product information "Independent chuck, centre mount Ø 315 mm"
Independent chuck, centre mount Ø 315 mm, one-piece jaws
- chuck body made from cast iron
- with 4 individually adjustable jaws
- especially suitable for holding irregulary
shaped work pieces
- suitable for admission from the front
- inkl. 1 set hardened reversible jaws,
wrench, fixing screws
| DIN: | centre mount |
|---|---|
| Jaws: | one-piece jaws |
| Make: | Zentra |
| Material: | Cast iron |
| Ø : | 315 mm |
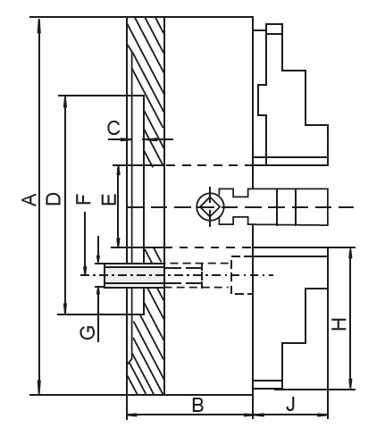
Technical Data
| A (Ø) mm | B mm | C mm | D mm | E mm | F mm | G mm | H mm | J mm | RPM MAX min -1 | kg |
| 80 | 42 | 3,5 | 55 | 22 | 66 | 4xM6 | 33 | 16 | 3000 | 1,9 |
| 100 | 54 | 4 | 72 | 25 | 84 | 4xM8 | 42 | 23 | 3000 | 2,4 |
| 125 | 56 | 4,5 | 95 | 30 | 108 | 4xM8 | 53 | 22 | 2500 | 5 |
| 160 | 65 | 5 | 65 | 45 | 95 | 4xM10 | 61,5 | 31,5 | 2000 | 7,5 |
| 200 | 75 | 6 | 75 | 56 | 95 | 4xM10 | 85 | 35 | 1800 | 10 |
| 250 | 85 | 7 | 150 | 65 | 104,8 | 4xM12 | 92 | 40,3 | 1500 | 25 |
| 315 | 85 | 7 | 175 | 80 | 133,4 | 4xM16 | 111 | 49,8 | 1200 | 39 |
| 400 | 105 | 10 | 200 | 100 | 171,4 | 4xM16 | 129 | 49,8 | 800 | 61 |
| 500 | 120 | 12 | 270 | 125 | 235 | 4xM20 | 152,5 | 59,8 | 500 | 105 |
| 630 | 140 | 12 | 270 | 160 | 235 | 4xM20 | 177 | 59,8 | 400 | 211 |
| 800 | 145 | 12 | 250 | 210 | 300 | 8xM20 | 202 | 70,8 | 300 | 319 |
| Inkl. je 1 Satz einteiliger Umkehrbacken, Spannschlüssel, Befestigungsschrauben / Incl. 1 set hardened reversible jaws, wrench, fixing screws | ||||||||||
| Angaben ohne Gewähr, technische Änderungen vorbehalten / Information provided without guarantee, technical changes reserved | ||||||||||
Product Safety Information:
- Suitable only for technically skilled users familiar with the product and for craftsmen.
- Intended solely for the designated purpose.
- Improper use may lead to damage and injuries.
Importer/Manufacturer:
Gedema GmbH
Berchumer Str. 74
58093 Hagen
Email: info@messwelt.com
Email: info@gedema.com
Items explicitly stating the manufacturer are excluded.