Skip to main content Skip to search Skip to main navigation
Telephone consultation: 02331 - 62 52 8-0 (Mon–Thu: 7.45 AM – 4.00 PM and Fri: 7.45 AM - 2.30 PM)
Your specialist for professional clamping technology

Three-jaw lathe chuck DIN 6350 Ø 800 mm

Product information "Three-jaw lathe chuck DIN 6350 Ø 800 mm"

Three-jaw lathe chuck DIN 6350

- centre mount, two-piece jaws
- suitable for all types of lathes and different kinds of milling,
  drilling and CNC devices
- homogeneous clamping force by self-centering clamping jaws,
  high concentricity
- chuck body made from cast iron
- guide ways and wear surfaces ground
- scroll plate is drop forged of fine-alloy steel,
  and case hardened
- incl. 1 set each of hardened base jaws and reversible top jaws,
  wrench, fixing screws

DIN: 6350
Jaws: two-piece jaws
Make: Zentra
Material: Cast iron
Type: 3-jaw lathe chucks
Ø : 800 mm

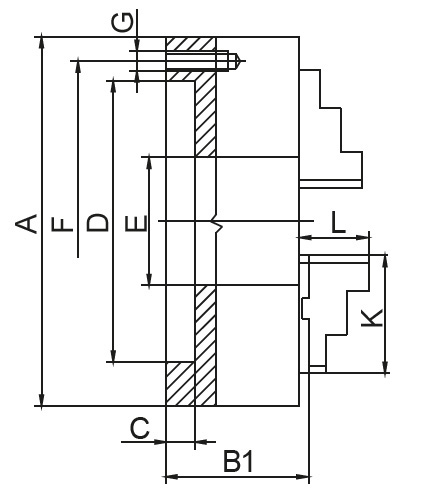
Technical Data

A (Ø)
mm
B1
mm
C
mm
D
mm
E
mm
F
mm
G
mm
H
mm
J
mm
RPM MAX
min -1
kg
12560,8495321083xM8564032005
16069,34125421406xM106743300010
20079,84160551766xM108045250017,5
25088,85200762246xM129553200029
31599,152601032866xM1611057150050
400113,853301363626xM1612767100085
500130,854201904586xM1612779700145
630146,375452525866xM1612787500250
800170,320450320368,312787300402
           
Inkl. Je 1 Satz gehärteter Grund- und Umkehraufsatzbacken, Spannschlüssel, Befestigungsschrauben /
Incl. 1 set each of hardened base jaws and reversible top jaws, wrench, fixing screws
           
Angaben ohne Gewähr, technische Änderungen vorbehalten /
Information provided without guarantee, technical changes reserved

Product Safety Information:

  • Suitable only for technically skilled users familiar with the product and for craftsmen.
  • Intended solely for the designated purpose.
  • Improper use may lead to damage and injuries.

Importer/Manufacturer:

Gedema GmbH
Berchumer Str. 74
58093 Hagen

Email: info@messwelt.com
Email: info@gedema.com

Items explicitly stating the manufacturer are excluded.

Skip product gallery

Accessories

Solid jaws for three-jaw lathe chucks Ø 630/800 mm
Internally stepped solid jaws for lathe chucks Ø 630/800 mm - 3 pieces per set

€838.73*
Stock: 0
Solid jaws for three-jaw lathe chucks Ø 630/800 mm
Externally stepped solid jaws for lathe chucks 3 pieces per set

€838.73*
Stock: 1
Hard base jaws for three-jaw lathe chucks Ø 800 mm
Hard base jaws for lathe chucks Ø 800 mm - 3 pieces per set
Price on request
Stock: 1
Hard op jaws for three-jaw lathe chucks Ø 630/800 mm
Hard reversible top jaws for three-jaw lathe chucks Ø 630/800 mm - 3 pieces per set

€515.52*
Stock: 2
Soft top jaws for three-jaw lathe chucks Ø 630/800 mm
Soft top jaws for three-jaw lathe chucks Ø 630/800 mm material C45,3 pieces per set

€270.58*
Stock: 8
Soft solid jaws for three-jaw lathe chucks 630/800 mm
Soft solid jaws for three-jaw lathe chucks 630/800 mm material C45,3 pieces per set

€549.79*
Stock: 0