Skip to main content Skip to search Skip to main navigation
Telephone consultation: 02331 - 62 52 8-0 (Mon–Thu: 7.45 AM – 4.00 PM and Fri: 7.45 AM - 2.30 PM)
Your specialist for professional clamping technology

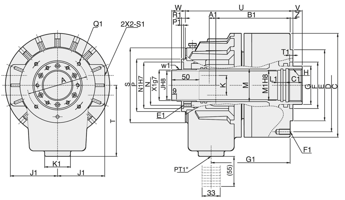
Hydraulic high speed cylinder, type 4M0928

Product information "Hydraulic high speed cylinder, type 4M0928 "

Hydraulic high speed cylinder with trough-hole type 4M0928

- for power chucks
- small sized and light-weight design
- large bore
- suitable for high speeds

Technical Data

Typ /
Type
Kolbendurchmesser /
Piston dia
mm
Kolbenfläche Druckseite /
Piston area Pressure side cm²
Kolbenfläche Zugseite /
Piston area Pull side
cm²
Kolbenhub /
Piston stroke
mm
Max. Zugrohrkraft (öffnen) /
Max. draw bar pull-push side kgf
4M0928 90 47 41,5 9 19,9 (2029)
           
  Max. Zugrohrkraft (schließen) /
Max. draw bar pull-pull side
kgf
Max. Betriebsdruck /
Max.operating pressure
kgf cm²
Max. Drehzahl /
Max. Speed
Trägheitsmoment /
Moment of inertia
kg / m²
Gesamtundichtheit /
Total leakage
L / min
  18 (1835) 40 8000 0,02 3,0

 

Typ /
Type
C1
mm
E1
mm
F1
mm
G1
mm
H1
mm
J1
mm
K1
mm
L1
mm
M1
mm
N1
mm
4M0928 25 M6x10 M8x20 114,5 76 60 44 15 30 53
                     
O1
mm
P1
mm
Q1
mm
R1
mm
S1
mm
T1
mm
U1
mm
W1
mm
X1
mm
B
mm
C
mm
14 4 M4x10 5 PT1/4" 6 116 M34x1,5 32 85 115
                     
                     
Typ /
Type
D
mm
E
mm
F
mm
G
mm
H
mm
J
mm
K
mm
L
mm
N
mm
P
mm
4M0928 100 80 65 44 M38x1,5 28 25 54 44 59
                     
  Q
mm
S
mm
T
mm
U max.
mm
V min.
mm
V max.
mm
W min.
mm
W
mm
A1
mm
B1
mm
  65 90 105 158 9 0 34 25 9,5 106
                     
                     
Angaben ohne Gewähr, technische Änderungen vorbehalten /
Information provided without guarantee, technical changes reserved

Product Safety Information:

  • Suitable only for technically skilled users familiar with the product and for craftsmen.
  • Intended solely for the designated purpose.
  • Improper use may lead to damage and injuries.

Importer/Manufacturer:

Gedema GmbH
Berchumer Str. 74
58093 Hagen

Email: info@messwelt.com
Email: info@gedema.com

Items explicitly stating the manufacturer are excluded.